IGBT란?
IGBT(Insulated Gate Bipolar Transistor)는 전력 전자 분야에서 널리 사용되는 반도체 소자로, 트랜지스터와 MOSFET의 특성을 결합한 장치이다. IGBT는 높은 전압과 전류를 제어하는 데 효과적이며, 스위칭 속도와 전력 효율이 뛰어나 전력 제어 시스템에서 중요한 역할을 한다.
IGBT를 이해하려면 기능 측면에서 서로 다른 트랜지스터를 이해하는 것이 좋다.

트랜지스터는 두 가지 주요 기능을 가진 작은 전자 부품이다.
조명 회로를 제어하는 스위치 역할을 하거나 신호를 증폭할 수 있다.
트랜지스터는 다양한 유용성과 특정 적용 가능성에 따라 여러 종류로 나뉜다. 일반적으로 많이 사용되는 트랜지스터는 BJT(Bipolar Junction Transistor), MOSFET (Metal-Oxide-Semiconductor Field-Effect Transistor) , 그리고 IGBT이다.
BJT와 MOSFET은 각각 장점과 특징이 다르다.
- BJT는 낮은 온 상태 전압 강하가 특징으로, 고전류 제어에 적합하다. 하지만 입력 저항이 낮아 베이스 전류를 많이 소모하는 단점이 있다.
- MOSFET은 높은 입력 임피던스와 낮은 스위칭 손실, 그리고 2차 항복(thermal runaway) 현상이 없는 구조를 가진다. 고속 스위칭과 저전력 신호 제어가 필요한 응용에서 많이 사용된다.
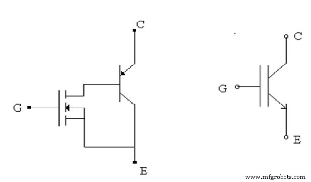
IGBT는 BJT와 MOSFET의 장점을 결합한 소자로, 두 트랜지스터의 강점을 모두 활용할 수 있다.
- MOSFET처럼 높은 입력 임피던스를 가져 제어가 쉽고, BJT처럼 높은 전류 밀도와 낮은 온 상태 전압 강하를 제공한다.
- IGBT는 스위칭 소자로 주로 사용되며, 신호 증폭에도 적용 가능하다. 특히 고전압, 고전류 제어와 빠른 스위칭 성능을 제공하기 때문에 전력 전자 시스템에서 필수적인 구성 요소로 자리 잡고 있다.

IGBT 특징
- 3단자 소자: 게이트(Gate), 컬렉터(Collector), 에미터(Emitter)로 구성된다.
- 전압 제어 소자: 게이트 전압으로 스위칭 동작을 제어하며, 작은 제어 전력으로 큰 전류를 제어할 수 있다.
- 고속 스위칭: 높은 주파수에서 동작 가능하며, 전력 손실을 최소화한다.
- 고효율: 낮은 전도 손실과 스위칭 손실로 에너지 효율이 높다.
IGBT의 내부 구조
IGBT의 내부 구조는 반도체의 4층 장치로 구성된다.
이 4층 구조는 PNPN 배열로 이루어져 있으며, PNP와 NPN 트랜지스터가 결합되어 있다. 이는 IGBT의 고유한 전류 흐름과 스위칭 특성을 가능하게 한다.

- Injection 영역 (P+ 기판)
- IGBT 구조에서 Collector 영역에 가장 가까운 레이어이다.
- 이 영역은 주입(active injection)을 통해 정공 전류를 N-드리프트 영역으로 주입하는 역할을 한다.
- N-Drift 영역
- N-층으로 구성된 드리프트 영역은 Injection 영역 바로 위에 위치한다.
- 드리프트 영역은 IGBT의 전압 차단 능력을 결정하는 중요한 레이어로, 두께에 따라 전압 차단 성능이 달라진다.
- Body 영역 (P 기질)
- 드리프트 영역의 상단에 위치하며, P-기질로 구성된 신체 영역이다.
- 이 영역은 IGBT의 동작에서 전류 흐름을 제어하는 데 핵심적인 역할을 한다.
- Emitter 영역 (N+ 레이어)
- Body 영역 내부에는 N+ 레이어가 포함되어 있다.
- 이 레이어는 전자 주입과 전류 흐름의 시작점을 형성한다.
접합부(Junctions)
- J2 접합:
- Collector 영역(P+)과 N-Drift 영역(N) 사이의 접합부.
- 이 접합은 IGBT의 주입 특성을 결정한다.
- J1 접합:
- N-Drift 영역과 Body 영역(P) 사이의 접합부.
- 이 접합은 전류 흐름을 제어하는 데 중요하다.
IGBT와 사이리스터의 비교
IGBT의 구조는 "MOS" 게이트 측면에서 사이리스터와 유사하지만, 두 소자의 동작과 기능에는 차이가 있다.
- IGBT의 동작 범위는 트랜지스터 동작으로 제한되어 있다. 사이리스터와 달리, IGBT는 사이리스터의 제로 크로싱(Zero Crossing)을 기다리지 않고 빠르게 스위칭할 수 있다.
- 이 특성 덕분에 IGBT는 고속 스위칭이 필요한 응용에서 사이리스터보다 더 선호된다.
IGBT 작동 원리
IGBT(Insulated Gate Bipolar Transistor)는 게이트 터미널에 전압을 인가하거나 제거함으로써 ON 또는 OFF 상태로 작동한다.
- ON 상태
- 게이트와 이미터(Gate-Emitter) 사이에 양의 전압이 인가되면, 게이트 단자가 활성화된다.
- 이때, 전류가 흐르며 IGBT는 켜진 상태(ON)가 된다.
- 이미터는 구동 회로를 통해 전류를 유지하고, Collector와 Emitter 간에 전류가 흐른다.
- OFF 상태
- 게이트와 이미터 사이의 전압이 0 또는 음수일 경우, 게이트 단자가 비활성화된다.
- 이로 인해 IGBT는 전류 흐름을 차단하며, 꺼진 상태(OFF)가 된다.
IGBT의 이득(gain)과 증폭 기능
IGBT는 BJT와 MOSFET의 기능을 결합한 소자이므로, 출력 신호와 제어 입력 신호 간의 비율로 증폭량이 결정된다.
- BJT의 이득(β, 베타)
- 기존의 BJT에서는 입력 전류와 출력 전류의 비율이 이득으로 정의된다.
- 이를 β(베타)로 표현하며, β는 BJT의 전류 증폭 능력을 나타낸다.
- MOSFET의 특성
- MOSFET의 게이트 단자는 절연되어 있어 입력 전류가 거의 없다.
- 대신, 입력 전압의 변화가 출력 전류의 변화를 제어한다.
- IGBT의 이득(트랜스컨덕턴스)
- IGBT는 MOSFET처럼 입력 전압 변화를 통해 출력 전류를 제어한다.
- 출력 전류 변화를 입력 전압 변화로 나눈 값이 IGBT의 이득을 결정하며, 이는 트랜스컨덕턴스(transconductance) 소자의 특성을 보여준다.
회로로서의 IGBT 운용

IGBT의 회로 동작은 게이트 단자에 전압이 공급될 때만 이루어진다.
게이트 전압(VG)이 인가되면 IGBT는 작동을 시작한다.
다이어그램에서 볼 수 있듯이, 게이트 전압(VG)이 증가하면 게이트 전류(IG)도 증가한다. 이로 인해 게이트-이미터 전압(VGE)이 형성된다.
결과적으로 게이트-이미터 전압(VGE)은 컬렉터 전류(IC)를 제어하며, 이에 따라 컬렉터 전류(IC)가 증가하면 컬렉터-이미터 전압(VCE)은 감소한다.

참고:
IGBT는 다이오드와 유사한 전압 강하 특성을 가지며, 일반적으로 약 2V 정도이다. 전류는 로그 스케일에 따라 증가한다.
IGBT는 자유 회전 다이오드(free-wheeling diode)를 사용하여 역전류를 전도한다. 이 다이오드는 컬렉터-이미터 단자에 걸쳐 배치된다.
내장형 다이오드의 필요성:
전력 전자 장치에서 내장형 다이오드는 필수적이다. 전원 스위치에 장애가 발생하지 않도록 유도성 부하 전류가 흐를 수 있는 경로를 제공한다. 스위치를 끈 이후 유도성 부하 전류가 적절한 경로를 찾지 못하면 높은 전압 피크를 생성하여 장치를 손상시킬 수 있다.

절연 게이트 바이폴라 트랜지스터가 꺼질 때마다 N-영역의 소수 캐리어가 외부 회로로 흐른다.
공핍층이 확장된 후(컬렉터-이미터 전압 상승), 소수 캐리어는 전류 흐름의 내부 재결합, 즉 테일 전류를 유발한다.
전기적 특성

IGBT는 기능을 위해 전압에 의존하며, 전도를 유지하기 위해 게이트 단자에 극소량의 전압만 공급되면 된다. 이는 포화 상태를 유지하기 위해 Base 영역에서 지속적인 Base 전류 흐름이 필요한 Bipolar Power Transistors와는 대조적이다.
IGBT는 단방향 장치로, "정방향"(Collector에서 Emitter로)으로만 전류를 전환할 수 있다. 이는 양방향 전류 스위칭이 가능한 MOSFET과 구별되는 특징이다. 실제로 MOSFET은 정방향 전압에서는 제어가 가능하지만, 역방향 전압에서는 제어가 불가능하다.
IGBT는 동적 조건에서 래치업 전류를 경험할 수 있다. 래치업 전류란 장치가 꺼질 때 발생하며, 연속 ON 상태에서 구동 전류가 임계값을 초과할 때 나타난다. 또한 Gate-Emitter 전압이 임계 전압 아래로 내려가면 소자를 통해 작은 누설 전류가 흐르며, 이때 Collector-Emitter 전압은 공급 전압과 거의 동일해진다. 이러한 상태에서 IGBT는 차단 영역에서 동작한다.
IGBT의 적용
IGBT는 MOSFET과 BJT처럼 소신호 증폭기에서 사용할 수 있다. 하지만 IGBT는 두 소자의 장점을 모두 결합했기 때문에 전도 손실이 낮고 스위칭 속도가 빠르다.
이로 인해 IGBT는 스테레오 시스템, 기차, VSF, 전기 자동차, 에어컨 등 대부분의 최신 전자 장치에 널리 사용된다.
IGBT 와 MOSFET

IGBT는 고전압, 낮은 스위칭 주파수, 고전류 구성에 가장 적합하다. 반면, MOSFET은 저전압, 높은 스위칭 주파수, 중간 전류 영역에서 가장 효과적이다.
IGBT는 스위칭 손실이 높기 때문에, 스위칭 주파수가 20kHz 미만인 응용에서 주로 사용된다.
'인버터' 카테고리의 다른 글
| 데드타임(Dead Time) (0) | 2025.06.20 |
|---|---|
| 상전압 선간전압 (2) | 2024.11.06 |
| Low Pass Filter(LPF) (1) | 2024.09.23 |
| 인버터 (3) | 2024.08.19 |